اتصل بنا اليوم

86-15800763021+

ارسل لنا

يضيف

775 شارع تشيهوا ، تاون زهلين ، مقاطعة فنغشيان ، شنغهاي
مشروع عالي الجودة لصناعة الطماطم صنع المفتاح
أنت هنا: مسكن » منتجات » خط إنتاج معجون الطماطم » مشروع عالي الجودة لصناعة الطماطم صنع المفتاح

loading

مشروع عالي الجودة لصناعة الطماطم صنع المفتاح

المواد الخام: الطماطم الطازجة
المنتج النهائي: معجون الطماطم/ الكاتشب الطماطم
المواد: الفولاذ المقاوم للصدأ 304/316L
السعة: 300-1000 كجم/ساعة
أنواع المعالجة: خط معالجة كامل
ميزة: 20 سنة من الخبرة في العمل
الميزة: كفاءة عالية ، جودة عالية
توافر الحالة:
الكمية:
facebook sharing button
twitter sharing button
line sharing button
wechat sharing button
linkedin sharing button
pinterest sharing button
sharethis sharing button
  • WSFQ-1

  • WS

مقدمة من آلة صنع معجون الطماطم

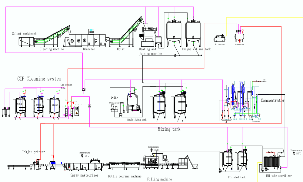
     يتضمن خط الإنتاج نظام الرفع ، نظام التنظيف ، نظام الفرز ، نظام السحق ، نظام تعقيم إنزيم التسخين ، نظام الضرب ، الفراغ ، نظام التركيز ، نظام التعقيم ، نظام ملء الأكياس ، بما في ذلك نظام الرفع ، نظام التنظيف ، الفرز.
     يمكن للخط الكامل أن يعالج منتجات الفاكهة والخضروات المركزة مثل مربى الفراولة ، مربى بلاك بيري ، مربى التوت ، مربى التوت ، مربى التفاح ، مربى المانجو ، مربى المشمش ، مربى الجزر ، مربى البصل ومربى الفلفل الحار.

خط إنتاج معجون الطماطم

آلة تنظيف الأمواج

تشتمل الماكينة على خزان المياه ، ومنفاخ ، ومصعد دلو ، وفتحة الماء ، وأنبوب الرش ومضخة الماء ، يحتوي نموذج الأداة المساعدة على بنية بسيطة. من خلال وضع أنبوب هواء في خزان المياه ، والفاكهة التي تدخل لفائف خزان المياه ، يتم تنظيف الأوساخ على سطح الفاكهة ، وتأثير التنظيف جيد ، ويتم توفير كفاءة العمل ، ويتم تقليل كثافة العمالة للعمال.

آلة تنظيف الأمواج

آلة التكسير

الآلة مناسبة لسحق الفواكه والخضروات التوت. في الوقت نفسه ، يمكن أن يسحق أيضًا الفواكه والخضروات المسلوقة مسبقًا وتخفيفها. حجم الجسيمات السحق هو 5 ~ 8MM.
تتكون الماكينة بشكل رئيسي من قادوس التغذية ، وأجزاء سحق ، والدعم ، ونطاط التفريغ ، وأجزاء الإرسال ، إلخ. الأجزاء مصنوعة من الفولاذ المقاوم للصدأ. عند العمل ، تدور سكين الطيران حول محورها الخاص في فجوة السكين السفلية الثابتة ، وذلك لكسر الفواكه والخضروات. هناك سكين طيران على الدوار.

آلة سحق معجون الطماطم


آلة اللب

يتم استخدام الماكينة للتغلب على الفواكه والخضروات الطازجة لفصل المكسرات. يمكن أن يتغلب على لب الفاكهة في عصير الفاكهة والمكسرات والبذور والجلود منفصلة. طالما تم تغيير شاشات المواصفات المختلفة ويتم ضبط زاوية الرصاص للكاشطة ، يمكن تغيير سرعات الضرب المختلفة ويمكن الحصول على نتائج مرضية.

آلة اللب لعجينة الطماطم

تركيب فراغ

يتكون مُركّز التأثير المزدوج من سخانات مزدوجة ، وغرف التبخر المزدوجة ، والمكثفات ، وخزانات الاستلام السائل وغيرها من المعدات ، مع كفاءة عالية ، ونظيفة وصحية ، وتوفير الطاقة ، وحياة طويلة.

المنتج المركّز له تركيز عالي الجودة ومستقر

تركيب فراغ لعجينة الطماطم

UHT الأنبوب المعقم

التعقيم قبل ملء المنتج يضمن جودة المنتج ويمتد مدة الصلاحية. يتحكم الجهاز تلقائيًا في درجة حرارة التعقيم والمدة. تدفق المواد في مساحة حلقة مغلقة لتجنب التلوث الثانوي.

UHT الأنبوب المعقم

بيع كامل لعملية الإنتاج لعملية مربى الفاكهة

نقاط قوتنا:

*يمكن تصميمه وفقًا للمتطلبات الخاصة للمستخدمين  

*يمكن إنتاج منتجات متعددة على نفس خط الإنتاج  

*يمكن أن تنتج منتجات عالية الجودة والحفاظ على العناصر الغذائية  

*يمكن إضافة المواد العطرية وخلطها بدقة  

*تمديد عمر المنتجات  

*الناتج الكبير والخسارة الصغيرة  

*تطبيق التكنولوجيا العالية لتوفير استهلاك الطاقة

*وفقًا لاختيار العميل ، يمكننا توفير مجموعة متنوعة من تكوين العصير.

*نوع عصير الفاكهة ونوع التغليف ودرجة الأتمتة يمكن مطابقة الإرادة وفقًا لمتطلبات العملاء.

خط إنتاج عصير المانجو

خط إنتاج عصير المانجو

الشهادات

معارض وأحداث الشركة المصنعة معدات المشروبات Weishu

على: 
تحت: 

تقع شركة Weishu Machinery Technology (Shanghai) Ltd. في منطقة Fengxian ، شنغهاي ، الصين. نحن شركة تصنيع معدات المشروبات الألبان تدمج التصميم ، البحث والتطوير ، الإنتاج ، المبيعات والخدمة.

روابط سريعة

قائمة المنتج

اتصل الآن للخدمة!

86-15800763021+

ال WhatsApp

86-15800763021+

البريد الإلكتروني

مواقع B2B الأخرى

Copyright 2021 WEISHU MACHINERY MANUFACTURER Supported By Leadong.Sitemap

البريد الإلكتروني

البريد الإلكتروني